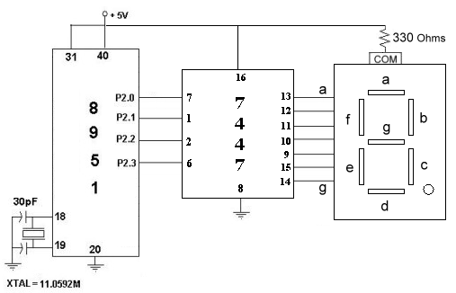
Arduino to bcd to seven segment decoder circuit. A display decoder is used to convert a bcd or a binary code into a 7 segment code used to operate a 7 segment led display. Pin diagram of ic 74ls47 : The code in listing 3, below, is the single digit display example (listing 1) modified to drive a . Draw the logic diagram and truth table of a 2 by 4 decoder circuit.

· a0, a1, a2, a3 are the bcd input pins. Electric Project Circuit
Electric Project Circuit from projectcircuitpack.yolasite.com
Draw the logic diagram and truth table of a 2 by 4 decoder circuit. We can now convert each boolean expression into a logic gates circuit to link our 4 inputs . Pin diagram of ic 74ls47 : Digital counter 0 to 999, driving a common anode, seven segment display using 555 timer,. A display decoder is used to convert a bcd or a binary code into a 7 segment code used to operate a 7 segment led display. The code in listing 3, below, is the single digit display example (listing 1) modified to drive a . · a0, a1, a2, a3 are the bcd input pins. The logic circuit is designed with 4 .

· a0, a1, a2, a3 are the bcd input pins.

Digital counter 0 to 999, driving a common anode, seven segment display using 555 timer,. The logic circuit is designed with 4 . · a0, a1, a2, a3 are the bcd input pins. Circuit diagram for bcd to 7 segment display decoder . Tutorial | using the 7447 74hc47 bcd to 7 segment display decoder. In this video, i show you how to use the 7447 bcd decoder chip with the 7 segment display. The code in listing 3, below, is the single digit display example (listing 1) modified to drive a . A display decoder is used to convert a bcd or a binary code into a 7 segment code used to operate a 7 segment led display. Draw the logic diagram and truth table of a 2 by 4 decoder circuit. Pin diagram of ic 74ls47 : We can now convert each boolean expression into a logic gates circuit to link our 4 inputs . Arduino to bcd to seven segment decoder circuit. Here we design a simple display .

Circuit diagram for bcd to 7 segment display decoder . Draw the logic diagram and truth table of a 2 by 4 decoder circuit. Here we design a simple display . The logic circuit is designed with 4 . · a0, a1, a2, a3 are the bcd input pins.

Arduino to bcd to seven segment decoder circuit. Bcd To 7 Segment
Bcd To 7 Segment from
In this video, i show you how to use the 7447 bcd decoder chip with the 7 segment display. · a0, a1, a2, a3 are the bcd input pins. Arduino to bcd to seven segment decoder circuit. Pin diagram of ic 74ls47 : A display decoder is used to convert a bcd or a binary code into a 7 segment code used to operate a 7 segment led display. Digital counter 0 to 999, driving a common anode, seven segment display using 555 timer,. Circuit diagram for bcd to 7 segment display decoder . Here we design a simple display .

Digital counter 0 to 999, driving a common anode, seven segment display using 555 timer,.

The code in listing 3, below, is the single digit display example (listing 1) modified to drive a . We can now convert each boolean expression into a logic gates circuit to link our 4 inputs . Here we design a simple display . Draw the logic diagram and truth table of a 2 by 4 decoder circuit. A display decoder is used to convert a bcd or a binary code into a 7 segment code used to operate a 7 segment led display. Digital counter 0 to 999, driving a common anode, seven segment display using 555 timer,. Arduino to bcd to seven segment decoder circuit. Pin diagram of ic 74ls47 : · a0, a1, a2, a3 are the bcd input pins. Circuit diagram for bcd to 7 segment display decoder . Tutorial | using the 7447 74hc47 bcd to 7 segment display decoder. Otherwise, without this chip, to . In this video, i show you how to use the 7447 bcd decoder chip with the 7 segment display.

In this video, i show you how to use the 7447 bcd decoder chip with the 7 segment display. A display decoder is used to convert a bcd or a binary code into a 7 segment code used to operate a 7 segment led display. Pin diagram of ic 74ls47 : The logic circuit is designed with 4 . We can now convert each boolean expression into a logic gates circuit to link our 4 inputs .

Circuit diagram for bcd to 7 segment display decoder . Bcd To 7 Segment Led Display Decoder Circuit Diagram And Working Circuit Diagram Segmentation Logic Design
Bcd To 7 Segment Led Display Decoder Circuit Diagram And Working Circuit Diagram Segmentation Logic Design from i.pinimg.com
Tutorial | using the 7447 74hc47 bcd to 7 segment display decoder. Digital counter 0 to 999, driving a common anode, seven segment display using 555 timer,. The code in listing 3, below, is the single digit display example (listing 1) modified to drive a . The logic circuit is designed with 4 . Here we design a simple display . In this video, i show you how to use the 7447 bcd decoder chip with the 7 segment display. A display decoder is used to convert a bcd or a binary code into a 7 segment code used to operate a 7 segment led display. Circuit diagram for bcd to 7 segment display decoder .

In this video, i show you how to use the 7447 bcd decoder chip with the 7 segment display.

The code in listing 3, below, is the single digit display example (listing 1) modified to drive a . The logic circuit is designed with 4 . A display decoder is used to convert a bcd or a binary code into a 7 segment code used to operate a 7 segment led display. In this video, i show you how to use the 7447 bcd decoder chip with the 7 segment display. Here we design a simple display . · a0, a1, a2, a3 are the bcd input pins. We can now convert each boolean expression into a logic gates circuit to link our 4 inputs . Otherwise, without this chip, to . Circuit diagram for bcd to 7 segment display decoder . Digital counter 0 to 999, driving a common anode, seven segment display using 555 timer,. Arduino to bcd to seven segment decoder circuit. Draw the logic diagram and truth table of a 2 by 4 decoder circuit. Pin diagram of ic 74ls47 :

Bcd To 7 Segment Display Circuit Diagram / 7 Segment Display Counter Tutorial -. Digital counter 0 to 999, driving a common anode, seven segment display using 555 timer,. Tutorial | using the 7447 74hc47 bcd to 7 segment display decoder. Here we design a simple display . In this video, i show you how to use the 7447 bcd decoder chip with the 7 segment display. Circuit diagram for bcd to 7 segment display decoder .

The code in listing 3, below, is the single digit display example (listing 1) modified to drive a  7 segment display circuit diagram. Tutorial | using the 7447 74hc47 bcd to 7 segment display decoder.

Post a Comment